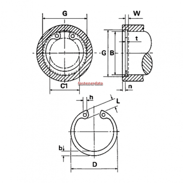
Metric Bore Internal Circlip Spring-Steel DIN472
Metric Bore Internal Circlip Spring-Steel DIN472
Bore | t | D | C1 | b | L | h | G | W | n |
---|---|---|---|---|---|---|---|---|---|
8 | 0.80 | 8.70 | 3.00 | 1.10 | 2.40 | 1.00 | 8.40 | 0.90 | 0.60 |
9 | 0.80 | 9.80 | 3.70 | 1.30 | 2.50 | 1.00 | 9.40 | 0.90 | 0.60 |
10 | 1.00 | 10.80 | 3.30 | 1.40 | 3.20 | 1.20 | 10.40 | 1.10 | 0.60 |
11 | 1.00 | 11.80 | 4.10 | 1.50 | 3.30 | 1.20 | 11.40 | 1.10 | 0.60 |
12 | 1.00 | 13.00 | 4.90 | 1.70 | 3.40 | 1.50 | 12.50 | 1.10 | 0.80 |
13 | 1.00 | 14.10 | 5.40 | 1.80 | 3.60 | 1.50 | 13.60 | 1.10 | 0.90 |
14 | 1.00 | 15.10 | 6.20 | 1.90 | 3.70 | 1.70 | 14.60 | 1.10 | 0.90 |
15 | 1.00 | 16.20 | 7.20 | 2.00 | 3.70 | 1.70 | 15.70 | 1.10 | 1.10 |
16 | 1.00 | 17.30 | 8.00 | 2.00 | 3.80 | 1.70 | 16.80 | 1.10 | 1.20 |
17 | 1.00 | 18.30 | 8.80 | 2.10 | 3.90 | 1.70 | 17.80 | 1.10 | 1.20 |
18 | 1.00 | 19.50 | 9.40 | 2.20 | 4.10 | 2.00 | 19.00 | 1.10 | 1.50 |
19 | 1.00 | 20.50 | 10.40 | 2.20 | 4.10 | 2.00 | 20.00 | 1.10 | 1.50 |
20 | 1.00 | 21.50 | 11.20 | 2.30 | 4.20 | 2.00 | 21.00 | 1.10 | 1.50 |
21 | 1.00 | 22.50 | 12.20 | 2.40 | 4.20 | 2.00 | 22.00 | 1.10 | 1.50 |
22 | 1.00 | 23.50 | 13.20 | 2.50 | 4.20 | 2.00 | 23.00 | 1.10 | 1.50 |
23 | 1.20 | 24.60 | 14.20 | 2.50 | 4.20 | 2.00 | 24.10 | 1.30 | 1.50 |
24 | 1.20 | 25.90 | 14.80 | 2.60 | 4.40 | 2.00 | 25.20 | 1.30 | 1.80 |
25 | 1.20 | 26.90 | 15.50 | 2.70 | 4.50 | 2.00 | 26.20 | 1.30 | 1.80 |
26 | 1.20 | 27.90 | 16.10 | 2.80 | 4.70 | 2.00 | 27.20 | 1.30 | 1.80 |
27 | 1.20 | 29.10 | 17.10 | 2.90 | 4.70 | 2.00 | 28.40 | 1.30 | 2.10 |
28 | 1.20 | 30.10 | 17.90 | 2.90 | 4.80 | 2.00 | 29.40 | 1.30 | 2.10 |
29 | 1.20 | 31.10 | 18.40 | 3.00 | 4.80 | 2.00 | 30.40 | 1.30 | 2.10 |
30 | 1.20 | 32.10 | 19.90 | 3.00 | 4.80 | 2.00 | 31.40 | 1.30 | 2.10 |
31 | 1.20 | 33.40 | 20.00 | 3.20 | 5.20 | 2.50 | 32.70 | 1.30 | 2.60 |
32 | 1.20 | 34.40 | 20.60 | 3.20 | 5.40 | 2.50 | 33.70 | 1.30 | 2.60 |
33 | 1.20 | 35.50 | 21.60 | 3.30 | 5.40 | 2.50 | 34.70 | 1.30 | 2.60 |
34 | 1.50 | 36.50 | 22.60 | 3.30 | 5.40 | 2.50 | 35.70 | 1.60 | 2.60 |
35 | 1.50 | 37.80 | 23.60 | 3.40 | 5.40 | 2.50 | 37.00 | 1.60 | 3.00 |
36 | 1.50 | 38.80 | 24.60 | 3.50 | 5.40 | 2.50 | 38.00 | 1.60 | 3.00 |
37 | 1.50 | 39.80 | 25.40 | 3.60 | 5.50 | 2.50 | 39.00 | 1.60 | 3.00 |
38 | 1.50 | 40.80 | 26.40 | 3.70 | 5.50 | 2.50 | 40.00 | 1.60 | 3.00 |
39 | 1.50 | 42.00 | 27.20 | 3.80 | 5.60 | 2.50 | 41.00 | 1.60 | 3.00 |
40 | 1.75 | 43.50 | 27.80 | 3.90 | 5.80 | 2.50 | 42.50 | 1.85 | 3.80 |
41 | 1.75 | 44.50 | 28.60 | 4.00 | 5.90 | 2.50 | 43.50 | 1.85 | 3.80 |
42 | 1.75 | 45.50 | 29.60 | 4.10 | 5.90 | 2.50 | 44.50 | 1.85 | 3.80 |
43 | 1.75 | 46.50 | 30.60 | 4.20 | 5.90 | 2.50 | 45.50 | 1.85 | 3.80 |
44 | 1.75 | 47.50 | 31.40 | 4.20 | 6.00 | 2.50 | 46.50 | 1.85 | 3.80 |
45 | 1.75 | 48.50 | 32.00 | 4.30 | 6.20 | 2.50 | 47.50 | 1.85 | 3.80 |
46 | 1.75 | 49.50 | 32.70 | 4.40 | 6.30 | 2.50 | 48.50 | 1.85 | 3.80 |
47 | 1.75 | 50.50 | 33.50 | 4.40 | 6.40 | 2.50 | 49.50 | 1.85 | 3.80 |
48 | 1.75 | 51.50 | 34.50 | 4.50 | 6.40 | 2.50 | 50.50 | 1.85 | 3.80 |
50 | 2.00 | 54.20 | 36.30 | 4.60 | 6.50 | 2.50 | 53.00 | 2.15 | 4.50 |
51 | 2.00 | 55.20 | 37.30 | 4.70 | 6.50 | 2.50 | 54.00 | 2.15 | 4.50 |
52 | 2.00 | 56.20 | 37.90 | 4.70 | 6.70 | 2.50 | 55.00 | 2.15 | 4.50 |
53 | 2.00 | 57.20 | 38.90 | 4.90 | 6.70 | 2.50 | 56.00 | 2.15 | 4.50 |
54 | 2.00 | 58.20 | 39.90 | 5.00 | 6.70 | 2.50 | 57.00 | 2.15 | 4.50 |
55 | 2.00 | 59.20 | 40.70 | 5.00 | 6.80 | 2.50 | 58.00 | 2.15 | 4.50 |
56 | 2.00 | 60.20 | 41.70 | 5.10 | 6.80 | 2.50 | 59.00 | 2.15 | 4.50 |
57 | 2.00 | 61.20 | 42.70 | 5.10 | 6.80 | 2.50 | 60.00 | 2.15 | 4.50 |
58 | 2.00 | 62.20 | 43.50 | 5.20 | 6.90 | 2.50 | 61.00 | 2.15 | 4.50 |
60 | 2.00 | 64.20 | 44.70 | 5.40 | 7.30 | 2.50 | 63.00 | 2.15 | 4.50 |
62 | 2.00 | 66.20 | 46.70 | 5.50 | 7.30 | 2.50 | 65.00 | 2.15 | 4.50 |
63 | 2.00 | 67.20 | 47.70 | 5.60 | 7.30 | 2.50 | 66.00 | 2.15 | 4.50 |
64 | 2.00 | 68.20 | 48.20 | 5.70 | 7.50 | 2.50 | 67.00 | 2.15 | 4.50 |
65 | 2.50 | 69.20 | 49.00 | 5.80 | 7.60 | 3.00 | 68.00 | 2.65 | 4.50 |
67 | 2.50 | 71.50 | 50.80 | 6.00 | 7.70 | 3.00 | 70.00 | 2.65 | 4.50 |
68 | 2.50 | 72.50 | 51.60 | 6.10 | 7.80 | 3.00 | 71.00 | 2.65 | 4.50 |
70 | 2.50 | 74.50 | 53.60 | 6.20 | 7.80 | 3.00 | 73.00 | 2.65 | 4.50 |
72 | 2.50 | 76.50 | 55.60 | 6.40 | 7.80 | 3.00 | 75.00 | 2.65 | 4.50 |
75 | 2.50 | 79.50 | 58.60 | 6.60 | 7.80 | 3.00 | 78.00 | 2.65 | 4.50 |
78 | 2.50 | 82.50 | 60.10 | 6.80 | 8.50 | 3.00 | 81.00 | 2.65 | 4.50 |
80 | 2.50 | 85.50 | 62.10 | 7.00 | 8.50 | 3.00 | 83.50 | 2.65 | 5.30 |
82 | 2.50 | 87.50 | 64.10 | 7.00 | 8.50 | 3.00 | 85.50 | 2.65 | 5.30 |
85 | 3.00 | 90.50 | 66.90 | 7.20 | 8.60 | 3.50 | 88.50 | 3.15 | 5.30 |
87 | 3.00 | 92.50 | 68.90 | 7.30 | 8.60 | 3.50 | 90.50 | 3.15 | 5.30 |
88 | 3.00 | 93.50 | 69.90 | 7.40 | 8.60 | 3.50 | 91.50 | 3.15 | 5.30 |
90 | 3.00 | 95.50 | 71.90 | 7.60 | 8.60 | 3.50 | 93.50 | 3.15 | 5.30 |
92 | 3.00 | 97.50 | 73.70 | 7.80 | 8.70 | 3.50 | 95.50 | 3.15 | 5.30 |
95 | 3.00 | 100.50 | 76.50 | 8.10 | 8.80 | 3.50 | 98.50 | 3.15 | 5.30 |
97 | 3.00 | 102.50 | 78.50 | 8.20 | 8.80 | 3.50 | 100.50 | 3.15 | 5.30 |
98 | 3.00 | 103.50 | 79.00 | 8.30 | 9.00 | 3.50 | 101.50 | 3.15 | 5.30 |
100 | 3.00 | 105.50 | 80.60 | 8.40 | 9.20 | 3.50 | 103.50 | 3.15 | 5.30 |
102 | 4.00 | 108.00 | 82.00 | 8.50 | 9.50 | 3.50 | 106.00 | 4.15 | 6.00 |
105 | 4.00 | 112.00 | 85.00 | 8.70 | 9.50 | 3.50 | 109.00 | 4.15 | 6.00 |
108 | 4.00 | 115.00 | 88.00 | 8.90 | 9.50 | 3.50 | 112.00 | 4.15 | 6.00 |
110 | 4.00 | 117.00 | 88.20 | 9.00 | 10.40 | 3.50 | 114.00 | 4.15 | 6.00 |
112 | 4.00 | 119.00 | 90.00 | 9.10 | 10.50 | 3.50 | 116.00 | 4.15 | 6.00 |
115 | 4.00 | 122.00 | 93.00 | 9.30 | 10.50 | 3.50 | 119.00 | 4.15 | 6.00 |
120 | 4.00 | 127.00 | 96.90 | 9.70 | 11.00 | 3.50 | 124.00 | 4.15 | 6.00 |
125 | 4.00 | 132.00 | 101.90 | 10.00 | 11.00 | 4.00 | 129.00 | 4.15 | 6.00 |
130 | 4.00 | 137.00 | 106.90 | 10.20 | 11.00 | 4.00 | 134.00 | 4.15 | 6.00 |
135 | 4.00 | 142.00 | 111.50 | 10.50 | 11.20 | 4.00 | 139.00 | 4.15 | 6.00 |
140 | 4.00 | 147.00 | 116.50 | 10.70 | 11.20 | 4.00 | 144.00 | 4.15 | 6.00 |
145 | 4.00 | 152.00 | 121.00 | 10.90 | 11.40 | 4.00 | 149.00 | 4.15 | 6.00 |
150 | 4.00 | 158.00 | 124.80 | 11.20 | 12.00 | 4.00 | 155.00 | 4.15 | 7.50 |
155 | 4.00 | 164.00 | 129.80 | 11.40 | 12.00 | 4.00 | 160.00 | 4.15 | 7.50 |
160 | 4.00 | 169.00 | 132.70 | 11.60 | 13.00 | 4.00 | 165.00 | 4.15 | 7.50 |
165 | 4.00 | 174.50 | 137.70 | 11.80 | 13.00 | 4.00 | 170.00 | 4.15 | 7.50 |
170 | 4.00 | 179.50 | 141.60 | 12.20 | 13.50 | 4.00 | 175.00 | 4.15 | 7.50 |
175 | 4.00 | 184.50 | 146.60 | 12.70 | 13.50 | 4.00 | 180.00 | 4.15 | 7.50 |
180 | 4.00 | 189.50 | 150.20 | 13.20 | 14.20 | 4.00 | 185.00 | 4.15 | 7.50 |
185 | 4.00 | 194.50 | 155.20 | 13.70 | 14.20 | 4.00 | 190.00 | 4.15 | 7.50 |
190 | 4.00 | 199.50 | 160.20 | 13.80 | 14.20 | 4.00 | 195.00 | 4.15 | 7.50 |
195 | 4.00 | 204.50 | 165.20 | 13.80 | 14.20 | 4.00 | 200.00 | 4.15 | 7.50 |
200 | 4.00 | 209.50 | 170.20 | 14.00 | 14.20 | 4.00 | 205.00 | 4.15 | 7.50 |
205 | 5.00 | 217.00 | 175.20 | 14.00 | 14.20 | 4.00 | 211.00 | 5.15 | 9.00 |
210 | 5.00 | 222.00 | 180.20 | 14.00 | 14.20 | 4.00 | 216.00 | 5.15 | 9.00 |
215 | 5.00 | 227.00 | 185.20 | 14.00 | 14.20 | 4.00 | 221.00 | 5.15 | 9.00 |
220 | 5.00 | 232.00 | 190.20 | 14.00 | 14.20 | 4.00 | 226.00 | 5.15 | 9.00 |
225 | 5.00 | 237.00 | 195.20 | 14.00 | 14.20 | 4.00 | 231.00 | 5.15 | 9.00 |
230 | 5.00 | 242.00 | 200.20 | 14.00 | 14.20 | 4.00 | 236.00 | 5.15 | 9.00 |
235 | 5.00 | 247.00 | 205.20 | 14.00 | 14.20 | 4.00 | 241.00 | 5.15 | 9.00 |
240 | 5.00 | 252.00 | 210.20 | 14.00 | 14.20 | 4.00 | 246.00 | 5.15 | 9.00 |
245 | 5.00 | 257.00 | 215.20 | 14.00 | 14.20 | 4.00 | 251.00 | 5.15 | 9.00 |
250 | 5.00 | 262.00 | 220.20 | 14.00 | 14.20 | 4.00 | 256.00 | 5.15 | 9.00 |
255 | 5.00 | 270.00 | 221.00 | 16.00 | 16.20 | 5.00 | 263.00 | 5.15 | 12.00 |
260 | 5.00 | 275.00 | 226.00 | 16.00 | 16.20 | 5.00 | 268.00 | 5.15 | 12.00 |
265 | 5.00 | 280.00 | 231.00 | 16.00 | 16.20 | 5.00 | 273.00 | 5.15 | 12.00 |
270 | 5.00 | 285.00 | 236.00 | 16.00 | 16.20 | 5.00 | 278.00 | 5.15 | 12.00 |
275 | 5.00 | 290.00 | 241.00 | 16.00 | 16.20 | 5.00 | 283.00 | 5.15 | 12.00 |
280 | 5.00 | 295.00 | 246.00 | 16.00 | 16.20 | 5.00 | 288.00 | 5.15 | 12.00 |
285 | 5.00 | 300.00 | 251.00 | 16.00 | 16.20 | 5.00 | 293.00 | 5.15 | 12.00 |
290 | 5.00 | 305.00 | 256.00 | 16.00 | 16.20 | 5.00 | 298.00 | 5.15 | 12.00 |
295 | 5.00 | 310.00 | 261.00 | 16.00 | 16.20 | 5.00 | 303.00 | 5.15 | 12.00 |
300 | 5.00 | 315.00 | 266.00 | 16.00 | 16.20 | 5.00 | 308.00 | 5.15 | 12.00 |
310 | 6.00 | 327.00 | 268.00 | 20.00 | 20.20 | 6.00 | 320.00 | 6.20 | 15.00 |
320 | 6.00 | 337.00 | 278.00 | 20.00 | 20.20 | 6.00 | 330.00 | 6.20 | 15.00 |
330 | 6.00 | 347.00 | 288.00 | 20.00 | 20.20 | 6.00 | 340.00 | 6.20 | 15.00 |
340 | 6.00 | 357.00 | 298.00 | 20.00 | 20.20 | 6.00 | 350.00 | 6.20 | 15.00 |
350 | 6.00 | 367.00 | 308.00 | 20.00 | 20.20 | 6.00 | 360.00 | 6.20 | 15.00 |
360 | 6.00 | 377.00 | 318.00 | 20.00 | 20.20 | 6.00 | 370.00 | 6.20 | 15.00 |
370 | 6.00 | 387.00 | 328.00 | 20.00 | 20.20 | 6.00 | 380.00 | 6.20 | 15.00 |
380 | 6.00 | 397.00 | 338.00 | 20.00 | 20.20 | 6.00 | 390.00 | 6.20 | 15.00 |
390 | 6.00 | 407.00 | 348.00 | 20.00 | 20.20 | 6.00 | 400.00 | 6.20 | 15.00 |
400 | 6.00 | 417.00 | 358.00 | 20.00 | 20.20 | 6.00 | 410.00 | 6.20 | 15.00 |
Metric Bore Internal Circlip Spring-Steel DIN 472 n13001300
Weight | 0.0000 |
---|---|
Material | Spring-Steel |
Standard Number | DIN472 |
Second Standard | - |
Drive | Non |
Head | NON |
American Generic Brand Term | RETAININGRINGS |
Diameter | ############################################################################################################################################################################################################################################################### |
Length | NON |